NDP-15 Series

Yamada® NDP-15 Bomba de diafragma

Yamada Trial Pump Program

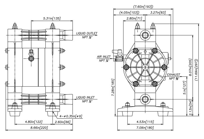
1/2" Fluid Port

Las bombas AODD de la serie Yamada® NDP-15 proporcionan un caudal máximo de 13.5 galones por minuto. Las bombas están disponibles en aluminio, acero inoxidable (316), Kynar® (PVDF), acetal conectable a tierra y polipropileno, con una amplia variedad de materiales de diafragma.

Lo que separa a Yamada del resto del paquete es nuestra tecnología de válvula de aire. Yamada utiliza una válvula de aire principal completamente no lubricada y mecanismos piloto independientes para controlar la lógica del aire.

A medida que el aire comprimido ingresa a la bomba, se dirige a través de la válvula de aire principal hacia un lado u otro, dependiendo de la posición de inicio del c-carrete. A medida que el aire entra en la cámara, fuerza el diafragma hacia afuera. Este impulso hacia afuera hace que el líquido salga de la válvula de bola de descarga y carga la válvula de bola de entrada opuesta. A medida que el diafragma se desplaza hacia afuera, el diafragma conectado en el lado opuesto está jalando el diafragma hacia adentro.

Cuando se desplaza una carrera completa, entrará en contacto con la válvula piloto, presionándola y rompiendo el sello para abrir un orificio de escape.

El puerto abierto permite que el aire comprimido salga por la parte posterior de la válvula de aire. La caída de presión produce un cambio de la válvula de aire principal. Este movimiento simplemente se repite en el otro lado.

Opción> Diafragma definitivo

 

GENERAL PUMP INFORMATION

13.5 Gallons/Minute
1/2" NPT Fluid Port

 

Intake & Discharge Connections
Polypropylene (PPG)1 1/2" Female NPT
Kynar® (PVDF)2 1/2" Female NPT
Groundable Acetal2 1/2" Female NPT
Aluminum (ADC-12)3 1/2" Female NPT
Stainless Steel (316)3 1/2" Female NPT
Air Inlet 1/4" Female NPT (includes ball valve)
Air Exhaust 3/8" Female NPT (includes silencer)
1Polypropylene pumps may be fitted with ball or flat check valves. Ball-type check valves are recommended for flooded suction applications. Flat-type check valves are recommended for suction lift applications.
2Kynar® and Groundable Acetal pumps are fitted with flat check valves only.
3Aluminum and Stainless Steel pumps are fitted with ball check valves only.

 

Maximum Liquid Temperature1
Buna N 180°F (82°C)
Neoprene 180°F (82°C)
Santoprene®(TPO) 180°F (82°C)
EPDM 212°F (100°C)
PTFE 212°F (100°C)
Hytrel® (TPE) 248°F (120°C)
Viton® fluoroelastomer 248°F (120°C)
1Polypropylene and acetal pumps have a maximum liquid temperature of 180°F (82°C) regardless of diaphragm material.

 

Air Supply Pressure (All Models) 20 to 100 PSI (1.4 to 7 kgf/cm²)
Discharge Volume Per Cycle 0.034 gallons (128 cc)
Maximum Cycles Per Minute 400
Maximum Size Solid 1/32" (1mm)
Maximum Dry Suction Lift Flat-type check valve: 8-feet
Ball-type check valve: 5-feet
Air Motor Ryton® air motor standard
Other Options Split manifold pumps

MATERIAL TYPES

:: Aluminum
Dimensions: 8.66" W x 10.67" H
Net Weight: 9.04 lbs. (4.1 kg)
Shipping Weight: 11.04 lbs.
:: Kynar® (PVDF)
Dimensions: 8.66" W x 11.67" H
Net Weight: 9.46 lbs. (4.3 kg)
Shipping Weight: 11.46 lbs.
:: Groundable Acetal
Dimensions: 8.66" W x 11.67" H
Net Weight: 7.7 lbs. (3.5 kg)
Shipping Weight: 9.7 lbs.
:: Polypropylene (NPT)
Dimensions: 8.66" W x 11.67" H
Net Weight: 7.7 lbs. (3.5 kg)
Shipping Weight: 9.7 lbs.
:: Polypropylene (Center Port)
Dimensions: 8.66" W x 11.67" H
Net Weight: 7.7 lbs. (3.5 kg)
Shipping Weight: 9.7 lbs.
:: Stainless Steel
Dimensions: 8.31" W x 9.72" H
Net Weight: 13.9 lbs. (6.3 kg)
Shipping Weight: 15.9 lbs.

ACCESSORIES

Air Motor Kit

K15-AM

Liquid End Kits
  Aluminum: K15-MC, K15-MN, K15-MH, K15-MS, K15-MT
  Stainless Steel: K15-MC, K15-MN, K15-MH, K15-MS, K15-MT
  Polypropylene-Ball Valve: K15-PC-B, K15-PN-B, K15-PH-B, K15-PS-B, K15-PT-B
  Polypropylene-Flat Valve: K15-PC, K15-PN, K15-PH, K15-PS, K15-PT
  Kynar: K15-VH-1, K15-VS, K15-VT
Filter / Regulators

FR-1, FR-1A (Auto Drain)

Dampener

AD-10 Series

Liquid Level Controller

LLC-2Y, LLC-1, LLC-1010 and LLC-3

Controllers

YSC-3EX and YSC-Batch

Diaphragm Monitor System

DM-2

DRy Run Detector

DRD-100

The Yamada Advantage

Yamada Air Powered Double Diaphragm Pumps: Engineered for High Performance. Manufactured for Long Life.

Rugged, Bolted Construction

All Yamada pumps feature bolted construction, which eliminates leaks and simplifies post-maintenance reassembly. Bolted construction is superior to clamp band retainers, which frequently require frustrating, unnecessary leakage rebuilds from misalignment during reassembly.

Outside-Accessible Air Valve

Inspection or maintenance of every Yamada air valve may be performed without removing the pump from service. Outside accessible, making it easy to fix / inspect.

Unified Air Valve Concept

Common-size air valve assemblies reduce parts confusion and inventory.

Pilot Valve

Unique to the Yamada design is an individual modular pilot valve that actuates the air valve. It is depressed slightly by the inner center disk creating a pressure drop at one end of the air valve, allowing shifting to occur. It is maintenance free with no cumbersome snap rings or lubricated dynamic o-rings to replace or repair.

Patented Air Valve Technology

Incorporated in every Yamada Air Powered Double Diaphragm pump

Yamada air valve technology is the heart of the air-powered double diaphragm pump and determines reliability. Yamada holds three patents on its field proven valve and enjoys a superior reputation throughout the industry.

Why Specify an AODD Pump?

  • Handles a wide variety of fluids with high solids content
  • Self Priming
  • Ability to Run Dry
  • Variable flow rate and discharge pressure
  • Portable
  • Simple Installation
  • Dead Head
  • Shear Sensitive
  • Safe Operation
  • Submersible
  • Pumping efficiency remains constant
  • Cannot Overheat
  • High Pressure capabilities
  • No mechanical seals, couplings or motors
  • No pressure relief or bypass needed

Contact Us.

... please wait, submitting.

Literature & Drawings

Videos